景德镇市第一人民医院患者端电子签名系统采购院内询价,请具备相应资质的企业积极参与报价。
一、报名时间:2024年12月09日-2024年12月16日。
二、联系人:倪先生 0798-8560736(信息科)
三、报名方式:快件邮寄(建议使用顺丰)
四、邮寄地址:江西省景德镇市第一人民医院 信息科 收。
四、邮寄时间:截止至2024年12月16日。
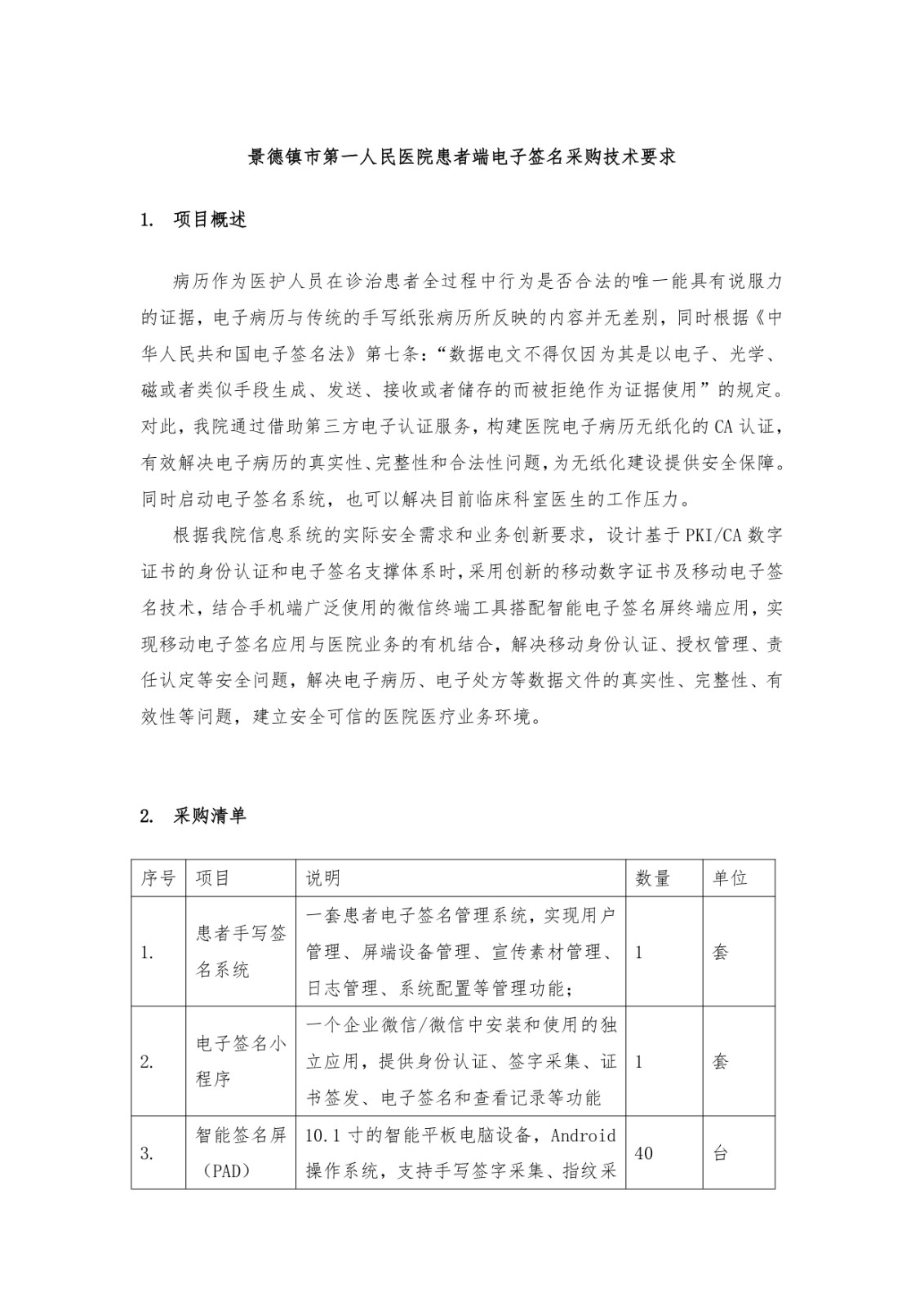
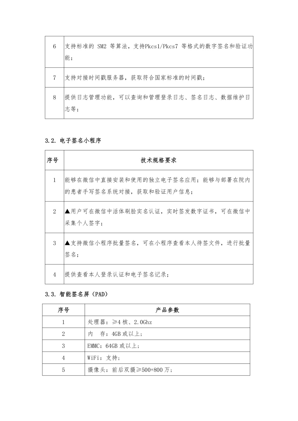
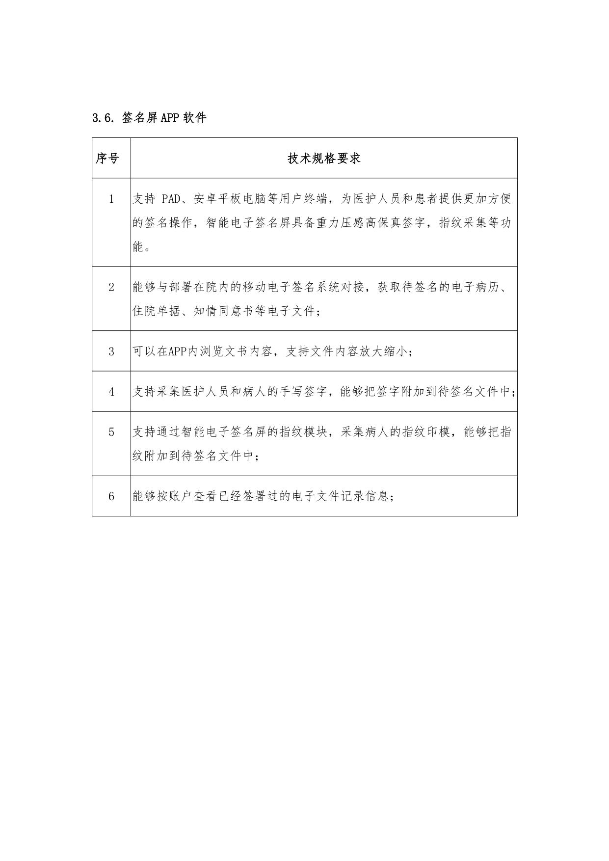
五、主要内容:患者端电子签名系统采购项目院内询价,具体技术要求见附件,请列出服务内容、服务方式、技术实力等简要说明。
七、其他:请所提供报价材料尽量含报价的印证材料(如同级别医院中标通知书或合同等,如不能提供需要提供承诺书)以防恶意报价,务必盖章封好寄出。




